MiniSKiiP® PIM 2
Basic module information
| Part number: | V23990-K222-B10-PM |
|---|---|
| Product line: | MiniSKiiP® PIM 2 |
| Product status: | Samples available |
| Break down voltage: | 600 V |
| Nominal chip current rating: | 30 A |
| Standard Packing Quantity: | 72 |
| Module datasheet: | PDF, 9 MB |
Product details
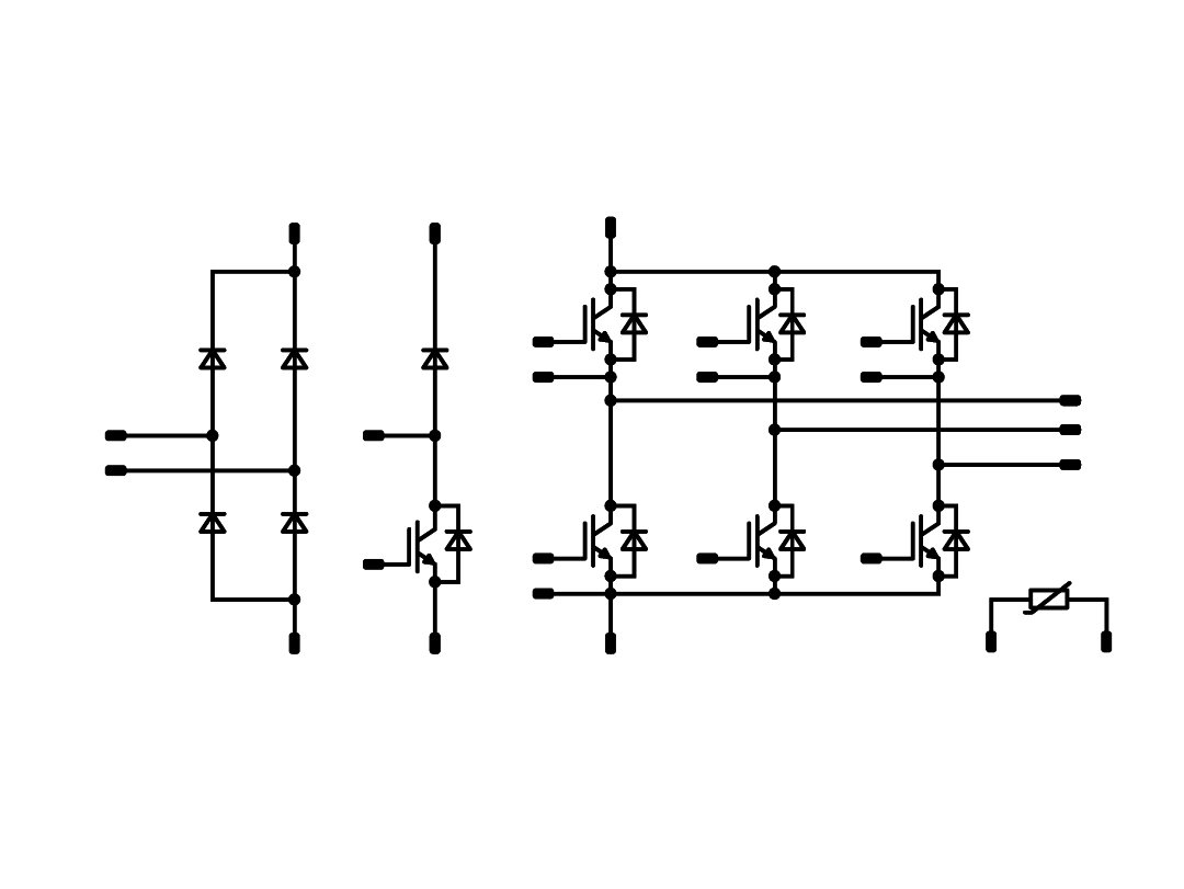
| Topology: | PIM (CIB) |
|---|
- Kelvin Emitter for improved switching performance
- Single-phase Converter+Brake+Inverter
- Temperature sensor
| Chip technology (main switch): | IGBT3 |
|---|
- Easy paralleling
- Low turn-off losses
- Low collector emitter saturation voltage
- Positive temperature coefficient
- Short tail current
| Base isolation (e.g. ceramic): | Al2O3 |
|---|---|
| Electrical interconnection: | Spring contact |
Load this product to the simulation environment to get an overview of its performance.
Simulate this moduleHousing related details
| Module housing: | MiniSKiiP® 2 |
|---|---|
| Footprint: | 58.9 mm x 51.9 mm |
| Height: | 16 mm |
- Easy assembly in one mounting step
- Flexible PCB design w/o pin holes
- Rugged solderless spring contacts
Related documents
-
Handling instruction
PDF, 988 kB
The handling instruction gives information during the design phase of the application and for usage in the production.
To ensure a proper long term stability and reliability of the power module in the application details about the PCB requirements, heat sinks and thermal interface material as well as instructions on the assembly process are shown. -
Packaging datasheet
PDF, 2 MB
The package data gives information about dimensions of the housing.
-
3D module outline (STEP)
STP, 4 MB
The 3D step file can be downloaded for the implementation into your CAD system.
-
Power module datasheet explanation
PDF, 4 MB
Explanation of measurement conditions and data sources used in Vincotech’s power module datasheets.
-
Product Qualification at Vincotech
PDF, 293 kB
Vincotech’s qualification tests follow the minimum requirements for the series release of power modules described in this document. These tests also apply for release and re-qualification of modified products.
-
UL (Underwriters laboratories)
PDF,
652 kB
Vincotech power modules are recognized by UL (Underwriters Laboratories). The UL Mark indicates that UL has tested representative samples of the product and found it to be compliant with the applicable standard or other requirements with respect to its potential risk of fire, electric shock and mechanical hazards.
-
RoHS
PDF, 155 kB
All Vincotech standard power modules comply with the RoHS specification.

