flowPIM® E1
Basic module information
| Part number: | 10-E112PMA060MS-L928A76Z |
|---|---|
| Product line: | flowPIM® E1 |
| Product status: | Samples available |
| Break down voltage: | 1200 V |
| Nominal chip current rating: | 26 A |
| Standard Packing Quantity: | 100 |
| Module datasheet: | PDF, 10 MB |
Product details
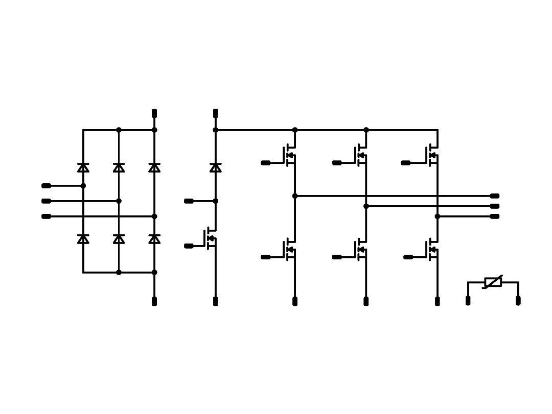
| Topology: | PIM (CIB) |
|---|
- Converter+Brake+Inverter
- Open Emitter configuration
- SiC MOSFET
- Temperature sensor
| Chip technology (main switch): | SiC MOSFET |
|---|
- High Blocking Voltage with low drain source on state resistance
- High speed SiC-MOSFET technology
- Resistant to Latch-up
| Base isolation (e.g. ceramic): | Al2O3 |
|---|---|
| Electrical interconnection: | Solder pin |
Load this product to the simulation environment to get an overview of its performance.
Simulate this moduleHousing related details
| Module housing: | flow E1 |
|---|---|
| Mechanical connection to the PCB: | 4 towers |
| Footprint: | 62.8 mm x 34.8 mm |
| Height: | 12 mm |
- Convex shaped substrate for superior thermal contact
- Compact housing
- CTI600 housing material
- Thermo-mechanical push-and-pull force relief
- Solder pin
Related documents
-
Handling instruction
PDF, 1 MB
The handling instruction gives information during the design phase of the application and for usage in the production.
To ensure a proper long term stability and reliability of the power module in the application details about the PCB requirements, heat sinks and thermal interface material as well as instructions on the assembly process are shown. -
Packaging datasheet
PDF, 101 kB
The package data gives information about dimensions of the housing.
-
3D module outline (STEP)
STP, 5 MB
The 3D step file can be downloaded for the implementation into your CAD system.
-
Power module datasheet explanation
PDF, 4 MB
Explanation of measurement conditions and data sources used in Vincotech’s power module datasheets.
-
Product Qualification at Vincotech
PDF, 293 kB
Vincotech’s qualification tests follow the minimum requirements for the series release of power modules described in this document. These tests also apply for release and re-qualification of modified products.
-
UL (Underwriters laboratories)
PDF,
652 kB
Vincotech power modules are recognized by UL (Underwriters Laboratories). The UL Mark indicates that UL has tested representative samples of the product and found it to be compliant with the applicable standard or other requirements with respect to its potential risk of fire, electric shock and mechanical hazards.
-
RoHS
PDF, 155 kB
All Vincotech standard power modules comply with the RoHS specification.

